Цилиндр Avers DM-60-CR




Щоб нова серцевина ідеально підійшла до ваших дверей і забезпечила максимальний захист, скористайтеся цією інструкцією перед покупкою:
Порада від Contact Plus: Якщо ви робите замір безпосередньо на дверях (без демонтажу), вимірюйте відстань від центру торцевої планки замка до зовнішнього та внутрішнього краю дверей (враховуючи товщину накладок). Наші менеджери завжди готові допомогти вам з розрахунками за телефоном!
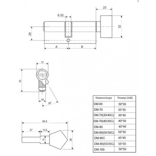
Для точного замовлення використовуйте формулу L = A + B, де:
Графічне представлення:
Схема вимірювання (L = A + B):
* O — отвір для кріпильного гвинта на торці дверей.
* L — загальна довжина циліндра.
Як читати розмір у назві товару:
Приклади розрахунку для замовлення:
Порада від Contact Plus: Якщо ви міняєте замок у дверях з броненакладкою, пам'ятайте, що циліндр не повинен занадто сильно виступати зовні, щоб зловмисники не змогли його захопити інструментом. В ідеалі він має бути врівень із броненакладкою.